JIANGSU HUAFILTER HYDRALIC DIWYDIANT Co., Ltd.
JIANGSU HUAFILTER HYDRALIC DIWYDIANT Co., Ltd.
Newyddion

Falf Hydrolig Huade Rhyddhau Cynnyrch Falf Cydbwyso HD-BLV16-1X

2025-05-09

Gyda mewnwelediad dwfn i anghenion cwsmeriaid ac arloesedd technolegol, mae Huade Hydraulic wedi datblygu falf hydrolig wedi'i deilwra'n llwyddiannus ar gyfer amodau llwyth uchel peiriannau adeiladu.

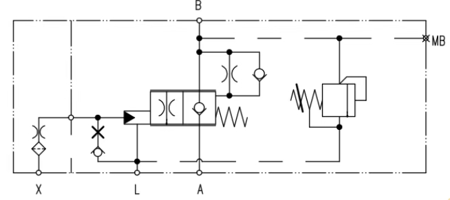
Defnyddir falfiau cydbwyso HD-BLV16-1X ym maes peiriannau peirianneg, yn enwedig yn y system hydrolig o offer codi. P'un a yw'n union symudiad, lleoliad a chynnal a chadw amodau llwyth uchel, neu gynnal lleoliad y llwyfan gweithio a dwyn pwysedd uchel, gall y falf hydrolig hon ddarparu datrysiad da.

Gall y gyfres hon o falfiau cydbwyso osgoi'r ffenomen o gyflenwad olew annigonol oherwydd arafu actuator, ac mae'r cynnyrch yn integreiddio swyddogaeth dal llwyth a swyddogaeth falf diogelwch.

Diagram strwythur mewnol o Falf Hydrolig HD-BLV16-1X

Paramedr y Falf Hydrolig HD-BLV16-1XSizeHD-BLV16-1X 

Maint HD-BLV16-1X
Pwysau gweithio uchaf 420 bar
Y pwysau mwyaf mewn porthladd A (olew cilfach/dychwelyd) 420 bar
Y pwysau uchaf ym mhorth B (actuator / llwyth) 420 bar
Y pwysau peilot mwyaf ym mhorthladd X 420 bar
Uchafswm llif 250L/munud
Cyfeiriad llif A→B, llif rhydd trwy falf nad yw'n dychwelyd
B→A, llif rheoledig
Dull rheoli Cymhareb rheoli hydrolig
Cymhareb agored 113:1
Tymheredd olew ( ℃ ) -20 ~ 80 ℃
Maint SAE3/4''6000psi
Maint porthladd olew A, B SAE3/4'' 6000psi
X, L, L1, MB G1/4''


Fel dosbarthwr Huade hydrolig, rydym yn cyflenwi falfiau directionla hydrolig brand Huade, falfiau pwysau, falfiau folw, falfiau cyfrannol a phympiau gyda phris da.

Os oes gennych unrhyw ddiddordeb yn ein falfiau hydrolig, mae croeso i chi gysylltu â ni.

E-bost: [email protected]

Symudol:+8618217786775

Wechat:+8618217786775



Newyddion Perthnasol
X
We use cookies to offer you a better browsing experience, analyze site traffic and personalize content. By using this site, you agree to our use of cookies. Privacy Policy
Reject Accept